主营:冲孔网,圆孔网,声屏障,护栏网,圆孔网
发布时间:2016-12-13 00:12:49
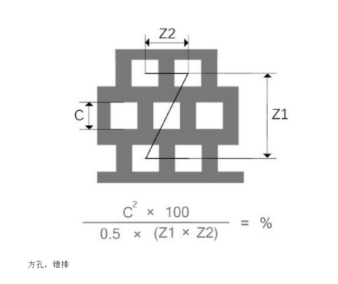
冲孔网开孔率指的是冲孔区与整张板之间的一个比例,常用百分比来表示。现在让我
们用下面的规格来举例说明:
圆孔, 外形尺寸1M X 2M.;2MM孔径, 4MM中心距, 60°错排,根据以上的信息及以下的公式,我们可以得出这种规格的冲孔网的开孔率为23%。也就是说冲掉的孔的面积之和为0.465平方米(1M X 2M X 23%)




免责声明:以上信息由会员自行提供,内容的真实性、准确性和合法性由发布会员负责,产品网对此不承担任何责任。产品网不涉及用户间因交易而产生的法律关系及法律纠纷, 纠纷由您自行协商解决。
风险提醒:本网站仅作为用户寻找交易对象,就货物和服务的交易进行协商,以及获取各类与贸易相关的服务信息的平台。为避免产生购买风险,建议您在购买相关产品前务必 确认供应商资质及产品质量。过低的价格、夸张的描述、私人银行账户等都有可能是虚假信息,请采购商谨慎对待,谨防欺诈,对于任何付款行为请您慎重抉择!如您遇到欺诈 等不诚信行为,请您立即与产品网联系,如查证属实,产品网会对该企业商铺做注销处理,但产品网不对您因此造成的损失承担责任!
联系:304108043@qq.com是处理侵权投诉的专用邮箱,在您的合法权益受到侵害时,欢迎您向该邮箱发送邮件,我们会在3个工作日内给您答复,感谢您对我们的关注与支持!
安平县安润不锈钢五金制品有限公司 电话: 传真: 联系人:
地址: 主营产品:冲孔网,圆孔网,声屏障,护栏网,圆孔网
Copyright © 2025 版权所有: 产品网
免责声明:以上所展示的信息由企业自行提供,内容的真实性、准确性和合法性由发布企业负责。产品网对此不承担任何保证责任。
您好,欢迎莅临,欢迎咨询...